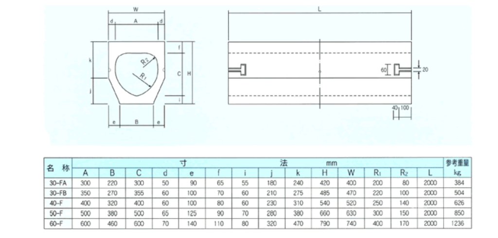
道路用製品 クリーン側溝(勾配型・フラット型・街路型・トンネル型・V型) 道路用製品クリーン側溝(勾配型・フラット型・街路型・トンネル型・V型) 特徴 流水部をハート型にし、流速をアップさせたごみの堆積を防ぐ側溝です。 側溝天端は道路勾配を考慮してあるので表面排水を容易に取り込めます。 側溝断面が卵形により総流性に優れています。 ボルト連結により不当沈下を防止できます。 止水材使用により漏水防止できます。 勾配型 フラット型 街路型 トンネル型 V型 製品カタログ 「クリーン側溝(勾配・フラット・街路型)」カタログ(デジタルブック) 「クリーン側溝(トンネル型)」カタログ(デジタルブック) 「クリーン側溝(V型)」カタログ(デジタルブック)